Call Us

+91-22-25008417

+91-22-25008308

+91-22-25007107

Brass Wiping & Cable Glands

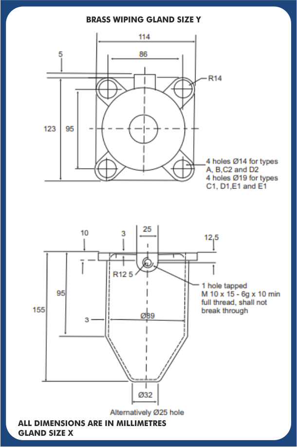
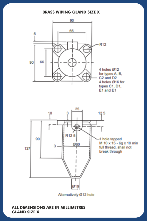
Brass Wiping Glands :

Material : Brass

Finish : Natural or Plated (Nickel, Tin, Chrome Plating)

Application : Transformers and Switchgear as per customers requirements.

“To get the password to open our product catalogue, please contact Sales office OR email us on contactsbw@gmail.com”




Brass Cable Glands :

Application : Outdoor or Indoor for use with all type of armoured, braided or unarmoured electrical cable fittings.

Ingress Protection : IP 30, IP 66 & IP68 (5 bar)

Options

Thread : ISP Metric, ET, NPT, NPS, BSP, BSPT & PG

Plating : Electroplated Nickel (NP), Zinc (ZP), Chrome (CP) & Tin (TP)

Material : Brass CZ 121, Aluminium Alloy and 316 Stainless Steel

Size in Metric : From M 16 to M 90